返回首页
加为收藏
联系我们
网站首页
公司简介
产品展示
公司新闻
行业新闻
营销网络
联系我们
公司新闻 / NEWS
祝贺三信液压网站建设成功
液压仿真技术的现在和未来
我国液压技术发展现状及趋势...
产品导航 / PRODUCT LIST
气动器材
气源处理元件
执行元件·气缸
控制元件·控制阀
气动附件
液压产品
液压缸
液压接头、胶管
非标准及液压泵站系统
夹紧定位系统
油压支撑系统
空压转角系统
油压夹紧系统
控制系统
薄型油缸系列
CNC打刀缸和增压缸
气动器材
液压产品
夹紧定位系统
CNC打刀缸和增压缸
铝压铸和气缸配件
铝压铸和气缸配件
气动器材
液压产品
夹紧定位系统
CNC打刀缸和增压缸
铝压铸和气缸配件
当前位置:
主页
>
产品展示
>
气动器材
>
执行元件·气缸
>
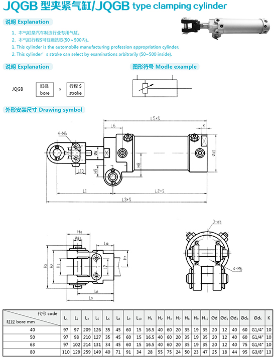
JQGB型夹紧气缸
时间:2016-01-18 11:33
上一篇:
ZDG系列自动往复气缸
下一篇:
FQGB轻型防转气缸
相关产品
产品名字
日期
QGAⅡ QGBⅡ系列气缸
16-01-23
QGBⅡ-H双活塞气缸
16-01-23
QGBⅡ-J QGBⅡ-C气缸
16-01-23
QGBⅡ-L双活塞杆气缸
16-01-23
QGBⅡ-K磁性开关气缸
16-01-23
QGBⅡ-F带阀气缸
16-01-23
QGBⅡ-KF组合气缸
16-01-23
JB系列气缸
16-01-23
QGA系列气缸(无缓冲装置)
16-01-23
QGB系列气缸
16-01-23